聯系方式
JP-LDEF分體式電磁流量計測量原理是基于法拉第電磁感應定律,分體式電磁流量計由傳感器和轉換器組成,傳感器安裝在測量管道上,轉換器被安裝在離傳感器30米內或100米內的場合,兩者間由屏蔽電纜連接。分體式電磁流量計傳感器主要組成部分是:測量管、電極、勵磁線圈、鐵芯與磁軛殼體。主要用于測量封閉管道中的導電液體和漿液中的體積流量。如水、污水、泥漿、紙漿、各種酸、堿、鹽溶液、食品漿液等,廣泛應用于石油、化工、冶金、紡織、食品、制藥、造紙等行業以及環保、市政管理,水利建設等領域測量高溫,高濕,不便觀察的環境。
一、產品特點:
1、適用于導電率大于5цs/cm導電流體的體積流量測量。
2、測量管內無活動及阻流部件、壓力損失小;
3、具有不同材質的襯里和電極有良好的防腐性能;
4、不受介質、密度、粘度、溫度、壓力和導電率的影響;
5、低頻矩形波勵磁、不易受干擾性、能穩定可靠;
6、轉換器耗能低、安裝簡單方便、用戶不需調試。
二、技術參數:
1.儀表口徑:DN15~DN600(法蘭連接式)、DN300~DN3000(插入式)
2.精度等級:法蘭式:0.5%、1.0%;插入式:2.5%
3.被測介質:一般液體、腐蝕性液體、含雜質的液體(導電)
4.流速范圍:0.5~10m/s
5.襯里材質:聚氨脂、氯丁橡膠、聚四氟等;
6.電極材質:不銹鋼、哈氏合金、鈦、鉑銥合金等;
7.連接方式:法蘭夾裝、法蘭連接等;
8.介質溫度:0℃~70℃、0℃~130℃(0℃~180℃);
9.公稱壓力:1.0Mpa~32 Mpa;
10.防護等級:IP65、IP68;
11.防爆標志:ExibBT4;
12.工作電壓:220VAC、24VDC。
13.執行標準:JB/T9248-1999(電磁流量傳感器)
14.檢定規程:JJG1033-2007(電磁流量計檢定規程)
三、襯里的選擇:
| 內襯材料名稱 | 性能與適用范圍 | 符號 | 耐溫 |
| 氯丁橡膠 |
1、有好的彈性,高度的扯斷力,耐磨性能好; 2、耐一般低濃度酸、堿、鹽介質的腐蝕; 3、不耐氧化介質的腐蝕。 4、適合水、污水、弱磨損性的泥漿礦漿。 |
CR | <60℃ |
| 聚氨酯橡膠 |
1、耐磨性能強。 2、耐腐蝕性能較差。 3、適合中性強磨損的礦漿、煤漿、泥漿 |
PU | <60℃ |
| 聚四氟乙烯 |
1、是化學性能穩定的一種塑料; 2、能耐沸騰的鹽酸、硫酸、硝酸和王水,也能耐濃堿等劑。 3、不耐三氟化氯、高溫三氟化氯、高流速液氟、液氧、自氧的腐蝕。 |
F4 | <120℃ |
| 聚全氟乙丙烯 | 同F4,耐磨性、抗負壓能力高于F4。 | F46 | <120℃ |
四、電極的選擇:
| 電極材料 | 耐腐能力及適用范圍 |
| 316不銹鋼 | 弱腐蝕性液體,如:生活用水、工業用水、原水、井水、城市污水等 |
| 哈氏合金B |
鹽酸(濃度<10%)非氧化性酸、氫氧化鈉(濃度<50%), 一切濃度的氫氧化氨堿溶液、磷酸、有機酸 |
| 哈氏合金C | 混酸、鉻酸與硫酸的混合物、氧化性鹽類(如Fe+++、Cu++++)、海水、磷酸、有機酸 |
| 鈦 |
鹽(如:氯化物/鎂/鋁/鈣/銨/鐵等)、鈉鹽、鉀鹽、銨鹽、次鋁酸鹽、海水、 濃度<50%的氫氧化鉀、氫氧化銨、氫氧化鋇鹽溶液 |
| 鉭 |
鹽酸(濃度<40%)、稀硫酸和濃硫酸(不含發煙硫酸) 二氧化氯、氯化鐵、次氯酸、氰化鈉、乙酸等 硝酸(含發煙硝酸)等氧化酸、溫度低于80℃的王水 |
| 鉑 | 幾乎所有的酸、堿、鹽溶液(包括發煙硫酸、發煙硝酸) |
| 碳化鎢 | 紙漿、污水等,能抗固體顆粒干擾 |
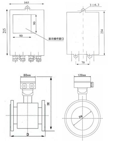
五、電磁流量計外形尺寸圖:
|
通徑 (DN) |
L (mm) |
H (mm) |
通徑 (DN) |
L (mm) |
H (mm) |
![]() |
| 15 | 200 | 299 | 200 | 350 | 517 | |
| 20 | 200 | 304 | 250 | 400 | 585 | |
| 25 | 200 | 312 | 300 | 500 | 627 | |
| 32 | 200 | 321 | 350 | 500 | 681 | |
| 40 | 200 | 340 | 400 | 500 | 741 | |
| 50 | 200 | 353 | 450 | 550 | 779 | |
| 65 | 200 | 369 | 500 | 550 | 834 | |
| 80 | 200 | 375 | 600 | 600 | 725 | |
| 100 | 250 | 404 | 700 | 700 | 810 | |
| 125 | 250 | 432 | 800 | 800 | 920 | |
| 150 | 300 | 461 | 900 | 900 | 1020 | |
| 200 | 350 | 517 | 1000 | 1000 | 1120 |
六、電磁流量計流量范圍表:
|
口徑 (DN) |
流 量 范 圍 (m)3/h |
口徑 (DN) |
流 量 范 圍 (m)3/h |
口徑 (DN) |
流 量 范 圍 (m)3/h |
| 15 | 0.4~6.0 | 150 | 40~600 | 700 | 900~12000 |
| 20 | 0.6~12 | 200 | 60~1000 | 800 | 1000~16000 |
| 25 | 1.0~15 | 250 | 100~1600 | 900 | 1200~20000 |
| 32 | 1.0~25 | 300 | 160~2500 | 1000 | 1600~25000 |
| 40 | 2.5~40 | 350 | 200~3000 | 1200 | 2500~30000 |
| 50 | 4~60 | 400 | 250~4000 | 1400 | 3000~50000 |
| 65 | 6~120 | 450 | 300~5000 | 1600 | 4000~60000 |
| 80 | 10~160 | 500 | 400~6000 | 1800 | 5000~80000 |
| 100 | 16~250 | 550 | 500~8000 | 2000 | 6000~100000 |
| 125 | 25~400 | 600 | 6000~10000 | 2200 | 7000~120000 |
七、電磁流量計選型表:
| JP-LDE | 電磁流量計 | ||||||||
|
口徑 (mm) |
15 | DN15 | |||||||
| 20 | DN20 | ||||||||
| … | … | ||||||||
| 2600 | DN2600 | ||||||||
| 安裝方式 | Y | 一體式 | |||||||
| F | 分體式式 | ||||||||
| 輸出信號 | I | 4~20mA | |||||||
| H | 4~20mA+HART協議 | ||||||||
| F | 頻率 | ||||||||
| R | RS485通訊 | ||||||||
| 襯里材質 | N | 氯丁橡膠(65℃以下) | |||||||
| F | 聚四氟乙烯(160℃以下) | ||||||||
| P | 聚氟乙烯(70℃) | ||||||||
| 電極材質 | 3L | 316L | |||||||
| HB | 哈氏合金B | ||||||||
| HC | 哈氏合金C | ||||||||
| Ti | 鈦 | ||||||||
| Ta | 鉭 | ||||||||
| By | 鉑銥合金 | ||||||||
| 壓力等級 | 1 | PN1.6 | |||||||
| 2 | PN2.5 | ||||||||
| 4 | PN4.0 | ||||||||
| 6 | PN6.3 | ||||||||
| 9 | PN16 | ||||||||
| 供電方式 | D | DC 24V | |||||||
| A | AC 220V | ||||||||
| 附加選項 | C | 插入式 | |||||||
| B | 防爆(ExII CT6) | ||||||||
八、電磁流量計安裝示意圖及注意事項:
| 注意事項 | 圖例 | |||||||||||||||||||
|
1.水平直管道的安裝 保證流量計的前直管段≥5D,后直管段≥3D |
![]() |
|||||||||||||||||||
|
2.擴管的安裝: 對于小口徑大流量,擴管安裝,同時保證流量計的前直管 段≥5D,后直管段≥2D |
|
|||||||||||||||||||
|
3.縮管的安裝: 對于大口徑小流量,縮管安裝,同時保證流量計的前直管 段≥10D,后直管段≥5D |
|
|||||||||||||||||||
|
4.前后有彎管的安裝: 對于流量計前后有彎管的安裝,應保證流量計的前直管段≥10D,后直管段≥5D |
![]() |
|||||||||||||||||||
|
5.閥 應將閥安裝在流量計的上游,同時保證流量計的前直管段≥10D,后直管段≥5D |
![]() |
|||||||||||||||||||
|
6.泵 應將泵安裝在流量計的上游,同時保證流量計的前直管段≥15D,后直管段≥5D |
![]() |
|||||||||||||||||||
|
7.支管進總管 對于流量計前端有兩個支管進總管時,應保證流量計的前直管段≥30D,后直管段≥3D |
![]() |
|||||||||||||||||||









![[list:title]](/uploads/allimg/180722/1-1PH20Z616.jpg)





