聯系方式
Y-60/100/150B不銹鋼壓力表采用不銹鋼材料制造,主要零件采用1icr18Ni9T、Ocr18Ni12Mo2Ti、 sus316不銹鋼材料,適用于有腐蝕性氣體環境,具有較強的防被測介質腐蝕和抗環境腐蝕的能力。不銹鋼壓力表廣泛應用于石油、化工、冶金等工業。
一、 技術參數:
| 名稱 | 型 號 | 量程范圍(MPa) | 精度等級 |
| 不銹鋼壓力表 | Y-60B |
0~0.1、0~0.16、0~0.25、 0~0.4、0~0.6、0~1.0、 0~1.6、0~2.5、0~4.0、 0~6.0、0~10、0~16、 0~25、0~40、0~60、 -0.1~0、-0.1~0.06、 -0.1~0.15、-0.1~0.3、 -0.1~0.5、-0.1~0.9、 -0.1~1.5、-0.1~2.4 |
2.5 |
| Y-100B | 1.6 | ||
| Y-150B | 1.6 | ||
| 不銹鋼耐震壓力表 | YN-60B | 2.5 | |
| YN-100B | 1.6 | ||
| YN-150B | 1.6 | ||
| 軸向帶前邊不銹鋼壓力表 | Y-60B/ZT | 2.5 | |
| Y-100B/ZT | 1.6 | ||
| Y-150B/ZT | 1.6 | ||
| 軸向帶前邊不銹鋼耐震壓力表 | YN-60B/ZT | 2.5 | |
| YN-100B/ZT | 1.6 | ||
| YN-150B/ZT | 1.6 |
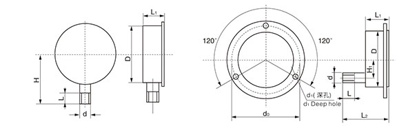
二、不銹鋼壓力表外形尺寸圖:

| 型 號 | D | d0 | d1 | H1 | H2 | L | L1 | L2 | 螺紋接口 |
| Y-60B | Φ60 | 76 | 4.5 | ≤60 | 14 | 36 | 66 | M14*1.5 | |
| Y-100B | Φ100 | 116 | 4.8 | ≤100 | ≤35 | 20 | 50 | 98 | M20*1.5 |
| Y-150B | Φ150 | 165 | 5.8 | ≤125 | ≤60 |
三、使用與訂貨須知:
(1)全不銹鋼壓力表不適用于外界有氯、硝酸和過氯化氧等強化劑環境。
(2)不銹鋼壓力表外殼需噴涂PTEE聚四氟乙烯涂層時,訂貨時注明。
(3)不銹鋼壓力表接頭螺紋如需特殊要求時請說明。
(4)全不銹鋼壓力表分普通型和耐震型。
(5)訂貨請說明名稱、型號及測量上限。

Y-60/100/150B不銹鋼壓力表
YE-60/100/150B不銹鋼膜盒壓力表
YN-60/100/150B不銹鋼耐震壓力表
YX-60/100/150B不銹鋼電接點壓力表
YEX-100/150B不銹鋼膜盒電接點壓力表
YEN-100/150B不銹鋼膜盒耐震壓力表
YNX-100/150B不銹鋼耐震電接點壓力表









![[list:title]](/uploads/allimg/180720/1-1PH0100359.jpg)