聯系方式
YN-60/100/150系列耐震壓力表具有良好的抗振性能,特別適用于環境劇烈振動場所,可耐受介質的脈動,沖擊及突然卸荷。耐震壓力表可測量無爆炸危險、無結晶體、不凝固以及對銅合金不起腐蝕作用的液體、氣體、蒸汽等介質的壓力。
一、技術參數:
1.儀表執行標準:Q/320211 DGH01-2003
2.耐震壓力表型號表示:
| 型號 | 結構形式 | 精度(%) | 壓力范圍(MPa) | 使用環境條件 |
| YN-60 | 徑向無邊 | ±2.5 |
0~0.16 0~0.25 0~0.4 0~0.6 0~1.0 0~1.6 0~2.5 0~4 0~6 0~10 0~16 0~25 0~40 0~60 0~100 |
周圍環境溫度為: -5~55℃;-25~55℃。 使用工作環境振動頻率 不大于25Hz,振幅不大于1mm |
| YN-60T | 徑向帶后邊 | |||
| YN-60Z | 軸向無邊 | |||
| YN-60ZT | 軸向帶前邊 | |||
| YN-100 | 徑向無邊 | ±1.6 | ||
| YN-100T | 徑向帶后邊 | |||
| YN-100Z | 軸向無邊 | |||
| YN-100ZT | 軸向帶前邊 | |||
| YN-150 | 徑向無邊 | |||
| YN-150T | 徑向帶后邊 | |||
| YN-150Z | 軸向無邊 | |||
| YN-150ZT | 軸向帶前邊 |
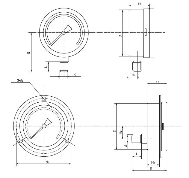
二、耐震壓力表尺寸說明:

| 型 號 | D | H | H2 | B | D2 | d0 | d | L | H1 |
| YN-60 | Φ60 | 32 | 13 | 55 | M14*1.5 | 14 | 22 | ||
| YN-60ZT | 0 | 65 | 4.5 | 76 | |||||
| YN-100 | Φ100 | 44 | 18 | 90 | M20*1.5 | 20 | 27 | ||
| YN-100ZT | 30 | 90 | 5.5 | 118 | |||||
| YN-150 | Φ150 | 44 | 18 | 120 | M20*1.5 | 20 | 27 | ||
| YN-150ZT | 55 | 95 | 5.5 | 165 |

YN-60/100/150耐震壓力表
YN-60/100/150B不銹鋼耐震壓力表
YEN-100/150耐震膜盒壓力表
YEN-100/150B不銹鋼耐震膜盒壓力表
YXN-100/150耐震電接點壓力表
YXN-100/150B不銹鋼耐震電接點壓力表
YN-60/100/150/MF/ML耐震隔膜壓力表
YN-60/100/150B/MF/ML不銹鋼耐震隔膜壓力表









![[list:title]](/uploads/allimg/180720/1-1PH0105600.jpg)