聯系方式
YE-100/150系列膜盒壓力表采用膜盒作為測量微小壓力的敏感元件,適用于測量對銅合金不起腐蝕作用,無爆炸危險的微壓和負壓。廣泛應用于鍋爐通風、氣體管道、燃燒裝置等及其他類似設備上。
一、結構與測量原理:
膜盒壓力表由測量系統(包括接頭,波紋膜盒等),傳動機構(包括拔桿機構,齒輪傳動機構),指示部件(包括指針與度盤)和外殼(包括表殼、襯圈和表玻璃)所組成。
膜盒壓力表的工作原理是基于波紋膜盒在被測介質的壓力作用下,其自由端產生相應的彈性變形,再經拔桿一齒輪傳動機構的傳動并予放大,由固定于齒輪軸上的指針逐將被測值在度盤上指示出來。
二、技術指標:
1.使用環境條件:表垂直安裝,工作環境溫度-25~55℃;相對濕度不大于80%,并且周圍空氣中不含有腐蝕儀表的有害氣體。
2.溫度影響使用溫度偏離20±5℃時,其溫度附加誤差不大于0.04%/10。℃
3.測量范圍與精確度:
4.導(測)壓系統及外殼等主要零件的材質:
5.膜盒壓力表外形尺寸:
| 型號 | 量程范圍(KPa) | 精度等級 | ||
| 正壓 | 負壓 | 正負壓 | ||
|
YE-100 YE-150 |
0~1.6 | -1.6~0 | -0.8~0.8 | 2.5 |
| 0~2.5 | -2.5-0 | -1.2~1.2 | ||
| 0~4 | -4~0 | -2~+2 | ||
| 0~6 | -6~0 | -3~+3 | ||
| 0~10 | -10~0 | -5~+5 | ||
| 0~16 | -16~0 | -8~+8 | ||
| 0~25 | -25~0 | -12~+12 | ||
| 0~40 | -40~0 | -20~+20 | ||
4.導(測)壓系統及外殼等主要零件的材質:
| 零件名稱 | 材料編號 |
| 接頭 | 黃銅Hpb59-1 |
| 膜盒 | 錫青銅QSn6.5-0.1 |
| 齒輪傳動機構 | 銅Hpb59-1 |
| 表殼,罩殼 | 冷軋鋼板20 |
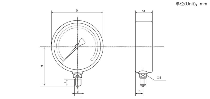
5.膜盒壓力表外形尺寸:

| 型 號 | D | H | L | d | h | 口S |
| YE-100 | Φ100 | 90 | 20 | M20*1.5 | 17 | 口22 |
| YE-150 | Φ150 | 118 | 20 | M20*1.5 | 17 | 口22 |

YE-100/150膜盒壓力表
YE-100/150B不銹鋼膜盒壓力表
YEN-100/150膜盒耐震壓力表
YEN-100/150B不銹鋼膜盒耐震壓力表
YEX-100/150膜盒電接點壓力表
YEX-100/150B不銹鋼膜盒電接點壓力表
YE-100/150B不銹鋼膜盒壓力表
YEN-100/150膜盒耐震壓力表
YEN-100/150B不銹鋼膜盒耐震壓力表
YEX-100/150膜盒電接點壓力表
YEX-100/150B不銹鋼膜盒電接點壓力表









![[list:title]](/uploads/allimg/180720/1-1PH0113243.jpg)