聯系方式
YTH/YTS/YTU-100/150 耐腐耐高溫壓力表的全部零部件均由不銹鋼材料制成,導壓系統采用特殊焊接工藝。耐腐耐高溫壓力表具有優良的耐腐蝕功能,適用于對腐蝕性較強的介質和錫釬焊工藝。耐腐耐高溫壓力表具有優良的耐高溫耐腐蝕性能,適用于對腐蝕性較強的介質和錫釬焊工藝不宜采用的高溫介質或溫度較高環境中的壓力檢測。 耐腐耐高溫壓力表廣泛應用于石油、化工、農藥、橡膠、天然氣等工業企業。
一、主要技術指標:
1.量程范圍及精度等級:
2.使用環境條件:-40~70℃、-40~200℃(YTH型)相對濕度不大于85%
3.溫度影響:使用溫度偏離20±5℃時,其溫度附加誤差不大于0.4%/10℃
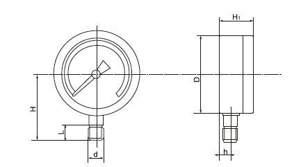
4.耐腐耐高溫特種壓力表外形尺寸圖:
| 型 號 | 量 程 范 圍(MPa) | 精度等級 | 接口螺紋 |
| YTS-100 |
0~0.1、0~0.16、0~0.25、0~0.4、0~0.6、 0~1.0、0~1.6、0~2.5、0~4.0、0~6.0、0~10、 0~16、0~25、0~40、0~60、 -0.1~0、-0.1~0.06、-0.1~0.15、-0.1~0.3、 -0.1~0.5、-0.1~0.9、-0.1~1.5、-0.1~2.4 |
1.6 | M20*1.5 |
| YTS-150 | |||
| YTU-100S | |||
| YTU-150S | |||
| YTH-100 |
3.溫度影響:使用溫度偏離20±5℃時,其溫度附加誤差不大于0.4%/10℃
4.耐腐耐高溫特種壓力表外形尺寸圖:

| 型 號 | D | H | L | d | h | H1 |
| YTS-100 | Φ100 | 90 | 20 | M20*1.5 | 21 | 50 |
| YTU-100S | ||||||
| YTH-100 | ||||||
| YTS-150 | Φ150 | 115 | 20 | 21 | 50 |









![[list:title]](/uploads/allimg/180721/1-1PH1063635.jpg)