聯系方式
YA-100/150系列氨用壓力表主要適用于在化肥過程中或制冷設備中用來測量氨的液體、氣體或其混合物等到的壓力,氨用壓力表亦可用于測量對普通碳素鋼、奧氏體類不銹鋼、合金結構以及錫鉛合金釬焊料等無腐蝕作用的、非結晶和非凝固的各種介質的壓力。
一、技術參數
1.精確度等級:1.6、2.5;
2.使用環境條件:-40~70℃,相對濕度不大于90%;
3.溫度影響:不大于0.4%/10℃(使用溫度偏離20±5℃);
4.規格型號與測量范圍:
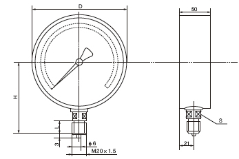
5. 氨用壓力表外形尺寸圖:
| 型 號 | 測 量 范 圍(Mpa) | 接頭螺紋 |
| YA-60 |
-0.1~0;0.06;0.15;0.5;1.5;2.4; 0~0.1;0.16;0.25;0.4;0.6;1;0.16;2.5; 4;6;10;16;25;40;60 |
M14×1 |
| YA-100 | M20×1.5 | |
| YA-150 |
![]() |
|||||
| 型 號 | D | H | L | S | |
| YA-100 | Φ100 | 87 | 20 | 17 | |
| YA-150 | Φ150 | 117 | |||









![[list:title]](/uploads/allimg/180721/1-1PH1064H2.jpg)
